ST自清洗过滤器
S系列自清洗过滤器
S系列自清洗过滤器是一种全自动自清洗水过滤器,过滤器网筒内安装一套刷子,刷子由电机带动旋转,在过滤器端盖上安装一个电动排污阀。工作时,浊水由进水口进入过滤器滤筒内,通过不锈钢楔形网过滤污物。净水由出水口流出,当污物在滤网表面聚集过多时,造成过滤出水不畅,滤筒内部腔体压力上升,当进出水的压力差值达到一定值时(预先设定),压差开关发出信号给控制器,控制器启动减速机电机带动刷子,旋转刷除滤网表面的污物杂质。同时打开电动排污阀排出污物,清洗时间为20-120秒(可就地可设置)。清洗时无需断流,排污压力损失不超过0.5bar,流量损失不超过1%。


型号说明
例 S T M Y-200/10
S代表刷式清洗,T代表立式安装,M代表卧式安装,
Y代表在线安装,200进出口径,10代表公称压力。
控制系统
采用工业单片PLC自动控制,中文或英文显示。可根据压差或定时控制过滤器自动清洗,并可手动、强制清洗。现场可设定过滤时间、清洗时间。运行信号、清洗信号、故障信号输出及485通讯接口。

动刷式自动清洗过滤器
过滤器壳体:碳钢喷涂环氧树脂粉末、不锈钢、双相钢、碳钢衬塑
滤网:不锈钢、双相钢
清洗装置:不锈钢、双向钢、尼龙
排污阀:铸铁
密封圈:丁晴橡、胶硅橡胶、
控制箱: PVC
应用范围
1、冷却水处理——冷却塔、补充水系统、空调系统、直流系统水过滤,减少热交换器内沉淀物的产生,保持其冷却效果。
2、原水处理——可对地表河水、湖水、海水、水库水、井水及地下水进行过滤,除去沙子、细菌、藻类、有机物等等。
3、工业循环用水过滤——在对水质有一定要求的设备如:冷却塔、轧机、连铸机、抛光、水泵、电磁阀、离子交换器、喷雾器、热交换器等或供排水管路上使用,可过滤掉水中杂质,避免管路、喷嘴等零部件堵塞。
4、灌溉——尤其适用于高流量、杂质含量高的水源,农业灌溉、喷灌,公园、高尔夫球场、草皮浇灌等。
5、造纸工业——白水过滤。
6、塑料工业——注塑冷却循环水过滤。
7、膜预处理,树脂预处理,超滤预处理。
8、海水淡化预处理过滤,海水养殖过滤

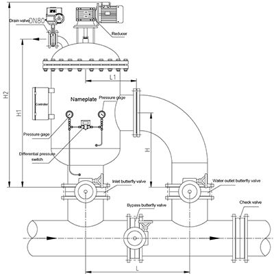
ST自清洗过滤器安装方式:立式安装
单台流量:15-1800
m
3/h,更大流量可由多个单机并联。
公称压力:1.0MPa、1.6MPa
工作压力:0.20~1.2MPa
最高工作温度:60℃
过滤精度:200-3500微米。
控制方式:压差、时间及手动
清洗时间:35-120秒。
清洗机构转速:14-20rpm
清洗方式:电动刷式清洗。
清洗压损:0.01-0.08MPa
工作电压:AC 380V,50HZ,三相四线,
控制电压:AC220V ,50HZ
液晶显示界面,人性化设计操作简便
ST技术参数
| 型号 | 管径 (mm) | 最大流量 (m³/h) | 过滤面积 (cm²) | 排污阀 (mm) | D (mm) | 一次清洗水量 (L) | 电机功率 (kW) | 重量 (kg) |
| ST-100 | DN100/10 | 80 | 3800 | DN50/10 | 325 | 130 | 0.55 | 230 |
| ST-125 | DN125/10 | 100 | 4500 | DN50/10 | 325 | 130 | 0.55 | 250 |
| ST-150 | DN150/10 | 150 | 4500 | DN50/10 | 325 | 130 | 0.55 | 260 |
| ST-200 | DN200/10 | 300 | 5100 | DN50/10 | 325 | 130 | 0.55 | 280 |
| ST-250 | DN250/10 | 400 | 9100 | DN50/10 | 400 | 180 | 0.75 | 420 |
| ST-300 | DN300/10 | 500 | 10000 | DN50/10 | 530 | 180 | 0.75 | 510 |
| ST-350 | DN350/10 | 800 | 14400 | DN50/10 | 620 | 200 | 0.75 | 650 |
| ST-400 | DN400/10 | 1000 | 17000 | DN80/10 | 720 | 250 | 0.75 | 760 |
| ST-500 | DN500/10 | 1800 | 30000 | DN80/10 | 920 | 250 | 0.75 | 950 |
表中流量精度为400um.其他技术参数请咨询本公司,
安装规格
| 型号 | ST-100 | ST-125 | ST-150 | ST-200 | ST-250 | ST-300 | ST-350 | ST-400 | ST-500 |
| H | 500 | 540 | 550 | 630 | 630 | 750 | 750 | 750 | 900 |
| H1 | 990 | 1070 | 1090 | 1200 | 1200 | 1360 | 1390 | 1480 | 1525 |
| H2 | 1120 | 1280 | 1300 | 1420 | 1450 | 1650 | 1750 | 1810 | 2120 |
| L | 650 | 700 | 650 | 700 | 850 | 950 | 1050 | 1300 | 1650 |
| L1 | 283 | 283 | 283 | 283 | 345 | 415 | 475 | 515 | 650 |